連接件模型
Connector Model
Connector Model
聯系APAS / Contact us
- 地址:天津市西青經濟技術開發區賽達國際工業城A3-2.
- 郵箱:lxc@apas.com.cn
- 電話:022-87920088
- 傳真:請聯系網絡管理員
- 郵編:300385
- 咨詢熱線:13702119190(24小時服務熱線)
連接件模型
/ Connector Model

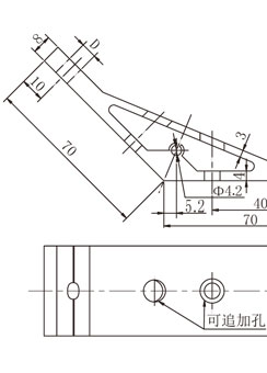
40系列40*規格鋁型材135度角碼3d模型
產品描述 / Name
40*規格135度鋁型材角碼主要用于工業框架135度或45度結構的緊固連接,可以下載型材角碼SLDWORKS三維模型(數模)進行框架的設計構想;
022-87920099
可以根據需求進行設計加工,提供上門安裝服務;可以根據特殊需求進行鋁型材開模定制。
* 免費提供工業鋁型材選型手冊 →點擊咨詢
內容來源:http://m.mryygs.com 作者:武將 發布日期:2020年03月21日 10時40分 閱讀次數:3290 次
| 40*規格鋁型材135度角碼主要適用于4040規格鋁型材之間的153度或45度結構固定連接,起固定支撐作用;該規格鋁型材角碼屬于鋁型材框架快速緊固連接配件產品,應用便捷、簡單,容易操作; |
![]() ![]()
|
| CE-L7070-4036規格型材角碼屬于6063-T5系列鋁延壓型材材料,具有較高的物理強度及韌性,適用于高強度、高承載鋁型材工業框架結構領域;型材角碼靈活性強,可以根據使用需求進行規格定制,表面經過噴砂-陽極氧化處理,具有很強的抗腐蝕能力; |
|
型材規格
|
L(mm)
|
D(mm)
|
材質
|
訂貨編號
|
|
40*
|
36
|
φ8.5
|
6063-T5
|
CE-L7070-4036
|
聯系APAS/ Contact us
天津艾普斯工業鋁型材股份有限公司
聯系電話:022-87920088
企業傳真:(避免惡意廣告)請聯系該企業網絡管理員
服務熱線:13702119190 (24小時服務熱線)
Q Q:534973906
企業郵箱: lxc@apas.com.cn
企業地址:天津市西青經濟技術開發區賽達國際工業城A3-2
聯系電話:022-87920088
企業傳真:(避免惡意廣告)請聯系該企業網絡管理員
服務熱線:13702119190 (24小時服務熱線)
Q Q:534973906
企業郵箱: lxc@apas.com.cn
企業地址:天津市西青經濟技術開發區賽達國際工業城A3-2
采購意向留言:* 為必填















QQ咨詢
電話聯系
聯系電話

在線留言
樣冊下載
